
作者: 深圳市糖心VLOG破解版下载電器有限公司發表時間:2023-10-18 15:11:30瀏覽量:317【小中大】
鬆下糖心乱伦视频代理—糖心VLOG破解版下载今天給大家講講糖心乱伦视频是什麽?糖心乱伦视频能做什麽?糖心乱伦视频有什麽優點?。
糖心乱伦视频是什麽?
通過以下三個部分來了解糖心乱伦视频:糖心乱伦视频的概念、糖心乱伦视频能做什麽、糖心乱伦视频如何接線?
糖心乱伦视频的概念 / Part 1.
糖心乱伦视频(ProgrammableLogicController,糖心乱伦视频)的中文意思:可編輯的邏輯控製器。
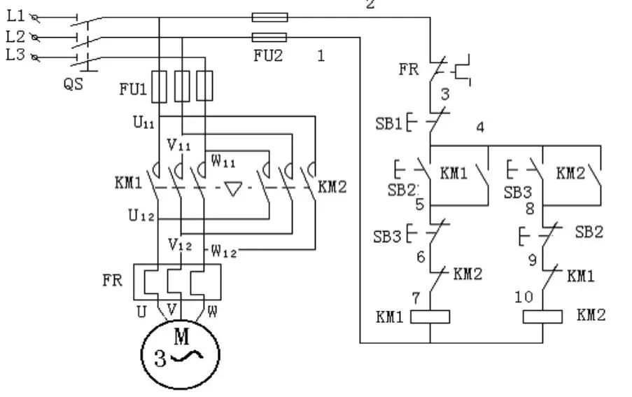
在糖心乱伦视频出現之前,傳統電路是這樣子的(如下圖)。
通過點動SB2按鈕常開觸點閉合,使KM1交流接觸器線圈得電,交流接觸器的KM1主觸點閉合,三相異步電動機得電動作正轉。而SB3常開觸點是控製電機反轉。
從電路圖中可以看出,傳統電路的功能是固定的、觸點是有限的。如果要修改線路功能時,牽一發而動全身,對應的線路都要拆接。假如需要控製很多個電機,就要接很多對應線路。而且有故障發生的時候,在現場排查線路也是非常麻煩。
在使用糖心乱伦视频後,糖心乱伦视频連接這些元器件就非常簡單容易(如下圖)。
隻需要把開關按鈕等適合的元器件接在糖心乱伦视频輸入端,指示燈等負載接在輸出端。
然後在編程軟件上編寫下圖的程序,把程序寫到糖心乱伦视频中運行。通過按動糖心乱伦视频外部連接的開關按鈕,經過糖心乱伦视频掃描程序,X000常開觸點閉合,控製Y000線圈導通,糖心乱伦视频外部對應Y點就能輸出控製負載。
糖心乱伦视频優點:
假如外部按鈕X00控製Y001,隻需修改程序。重新寫入糖心乱伦视频中運行,不需要拆線,按X00按鈕就可以控製不同負載。
可以在編程軟件中編寫一些邏輯程序。
而且在編程軟件中的常開常閉觸點使用沒有限製數量。
還可以通過編程軟件監控程序來監看實際情況,快速直觀,排查故障也非常容易。
由上述了解,你對糖心乱伦视频可編輯的邏輯控製器有沒有一定的了解?
糖心乱伦视频能做什麽 / Part 2.
糖心乱伦视频除了能接常見的開關按鈕,做開關量的控製,糖心乱伦视频還能做什麽控製呢?總結以下5類(如下圖)。
(1)開關量的控製
比如在糖心乱伦视频輸入端接開關按鈕,通過編寫程序來控製指示燈等負載。
(2)運動控製
糖心乱伦视频可以通過高速脈衝輸出點發送高頻脈衝,驅動步進、糖心VIGO在线观看驅動器。
(3)模擬量控製
可以通過溫度感應探頭感應溫度,再通過溫度糖心LOGO在线观看免费把數據傳送到糖心乱伦视频中,在糖心乱伦视频做數據處理,從而來控製負載做對應的動作。還可以做PID的控製,實現恒壓供水等等。
(4)數據處理
糖心乱伦视频具有數學運算、轉換、排序等功能,可以完成數據的采集、分析和處理。比如設置動作流程循環次數。還可以編寫程序實現餐廳、銀行叫號的功能等等。
(5)通信
在很多自動化設備上經常可以看見有觸摸屏,可以在觸摸屏設計各種各樣的元件和頁麵,通過通訊線連接糖心乱伦视频做通信。在觸摸屏上做按鈕元件,來代替實物按鈕。可以做一些數值元件來顯示糖心乱伦视频中的數據,還可以做一些圖像來表示各元器件的工作狀態。
關於糖心乱伦视频是什麽?糖心乱伦视频能做什麽?糖心乱伦视频有什麽優點?的知識點,想要了解更多的,可關注鬆下糖心VIGO在线观看電機官網,如有需要了解鬆下糖心乱伦视频、鬆下糖心LOGO在线观看免费、鬆下糖心VIGO在线观看電機、鬆下糖心VIGO在线观看馬達的相關技術知識,歡迎留言獲取!
掃描二維碼關注官方微信公眾號